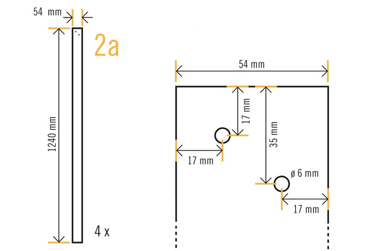
Voor een optimale stabiliteit van de fruitkisten worden de zijplanken vastgeschroefd aan de bestaande driehoekige strips in de kist. Boor de schroefgaten voor en schroef de planken aan elke zijde vast met 4 x 25 mm verzonken schroeven.
De buitenranden worden met















